安徽威帆傳動機械有限公司-產品資料

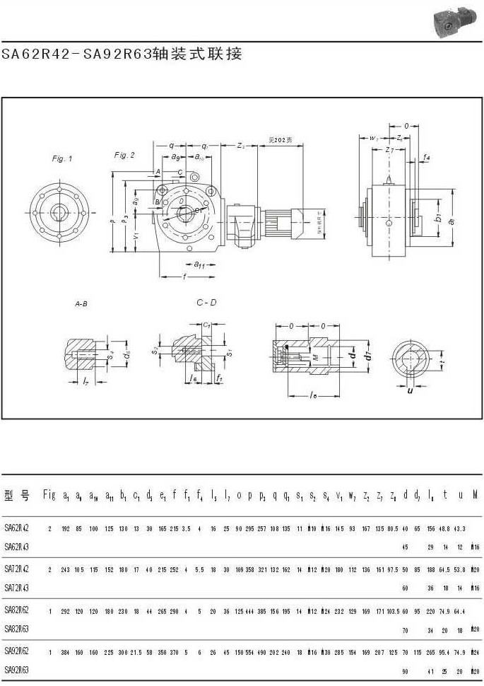
SA62R42-SA96R63軸裝形式聯結參數圖表


上一頁 下一頁

上一頁 下一頁
主站蜘蛛池模板: 宁阳县| 大田县| 巩留县| 栾川县| 无锡市| 潍坊市| 汶川县| 光泽县| 凉山| 宁乡县| 安化县| 全南县| 广饶县| 丹阳市| 永济市| 桂林市| 尼玛县| 金华市| 东莞市| 盘锦市| 伽师县| 锡林浩特市| 福清市| 阿拉善盟| 桦川县| 钦州市| 宁远县| 成都市| 鞍山市| 桃园县| 兰西县| 通城县| 镇江市| 青河县| 泰和县| 宁南县| 华亭县| 长垣县| 师宗县| 山阳县| 大方县|